Item group

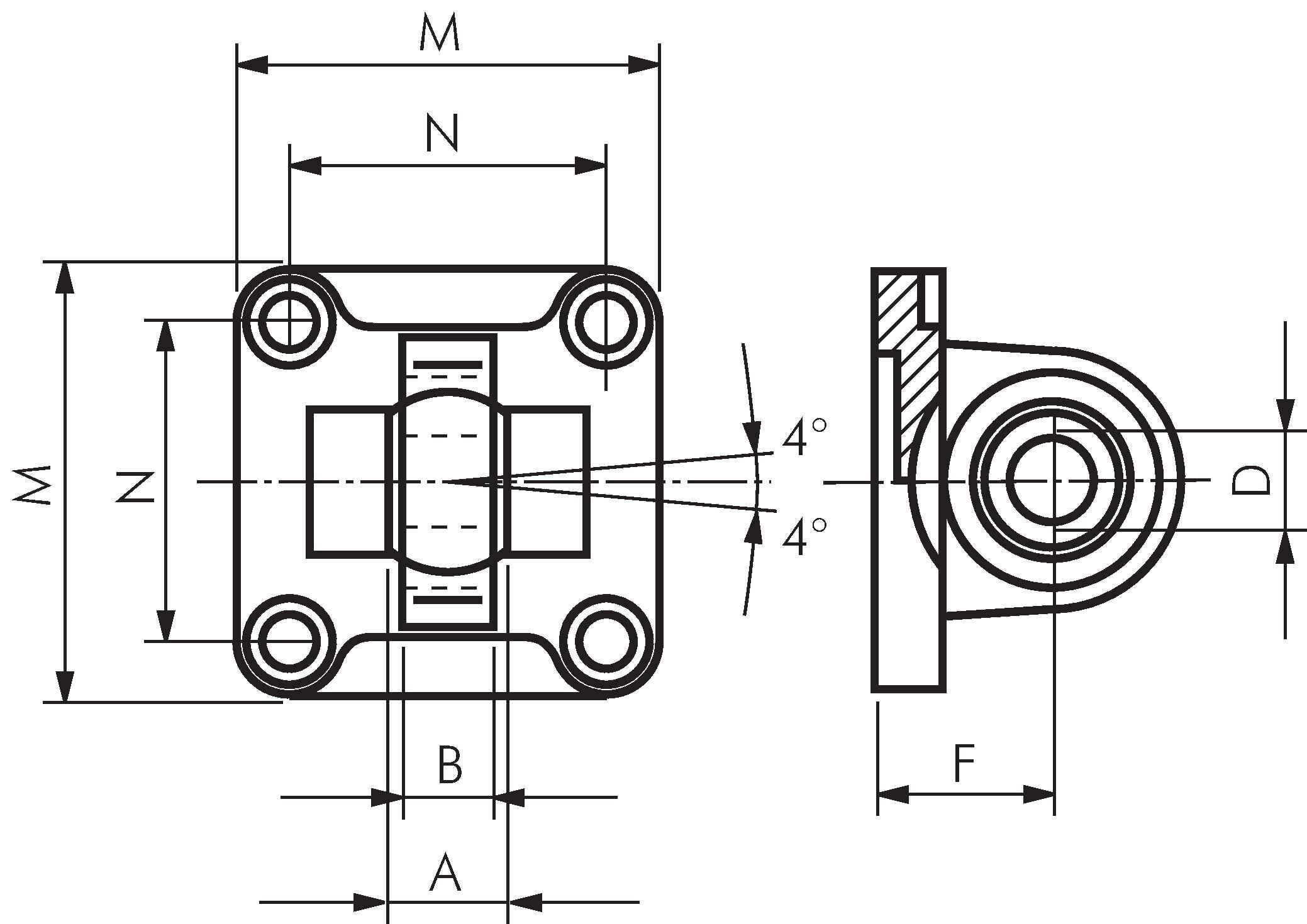
Swivel fixations spherical lug, for compact cylinder ISO 21287

Exemplary representation: Swivel mounting spherical tab, burnished steel
Payment options:

Cash on delivery

Invoice