Item group

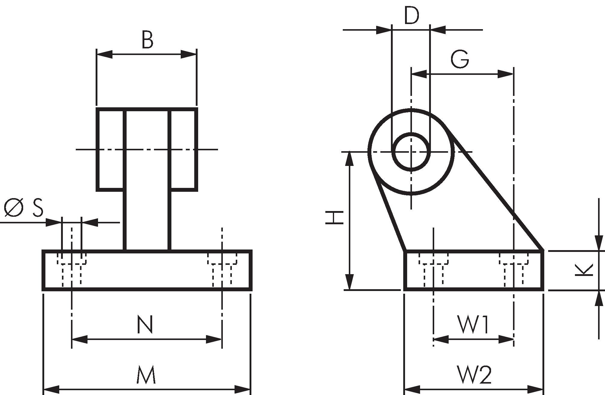
Swivel mountings 90° clip, for compact cylinder UNITOP

Exemplary representation: Swivel mounting 90° bracket, aluminium
Payment options:

Cash on delivery

Invoice