Item group

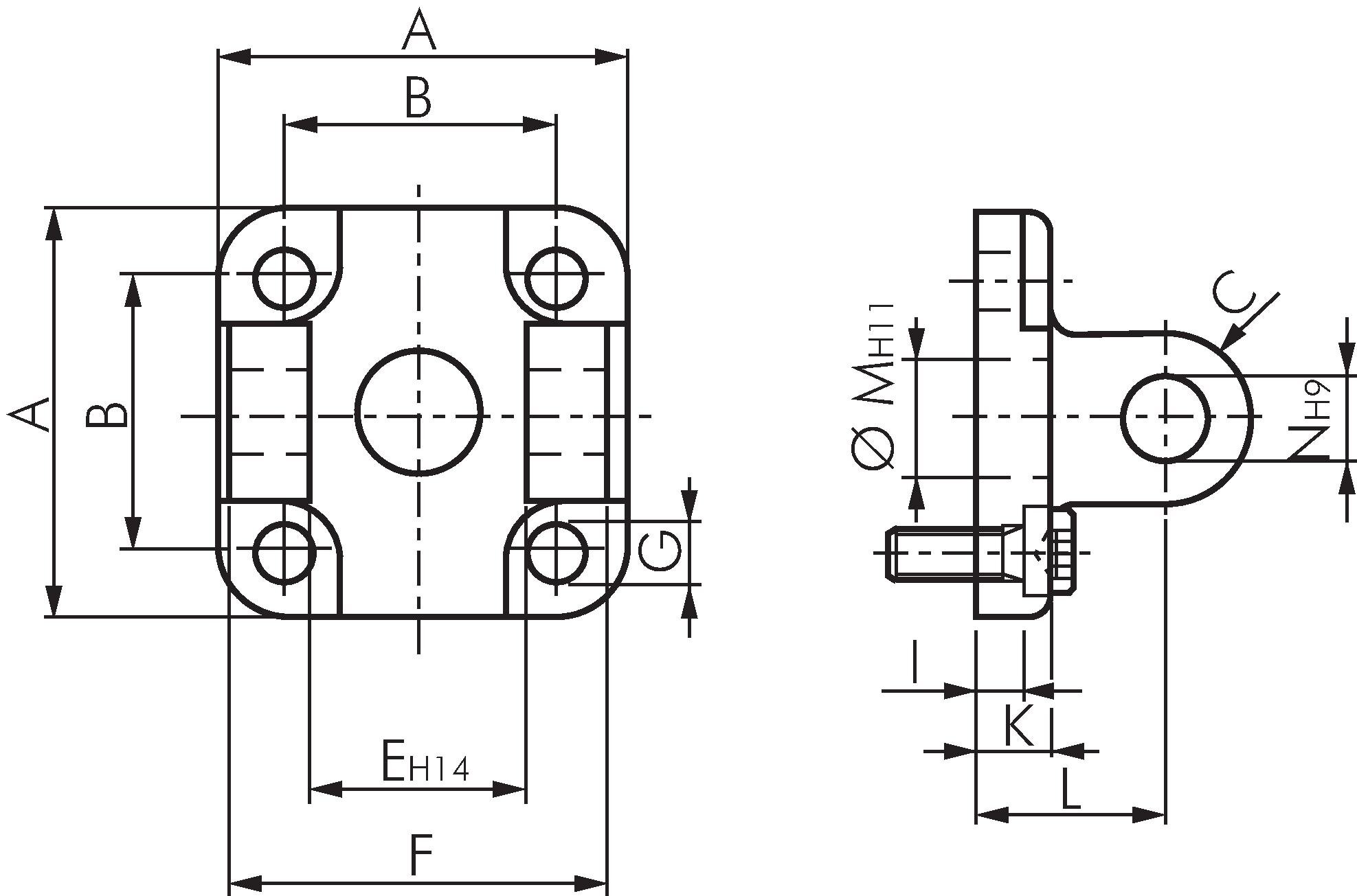
Swivel mountings fork, for compact cylinder UNITOP

Exemplary representation: Swivel mounting fork for compact cylinder
Payment options:

Cash on delivery

Invoice