Item group

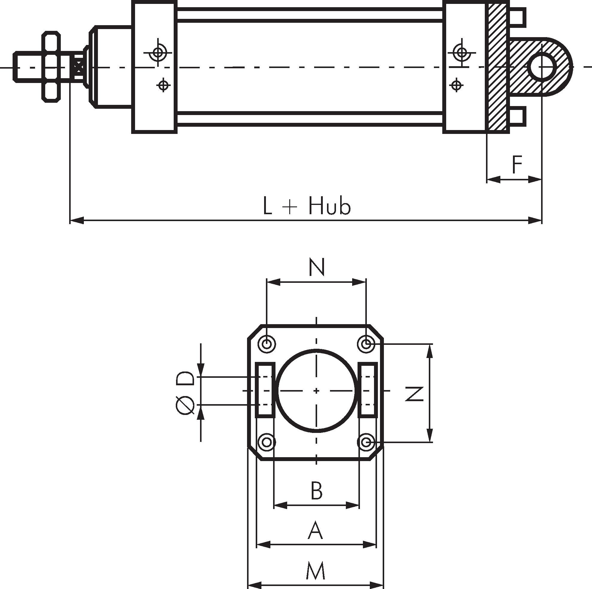
Swivel mountings fork, for pneumatic cylinders ISO 15552

Exemplary representation: Swivel mounting fork
Payment options:

Cash on delivery

Invoice