Item group

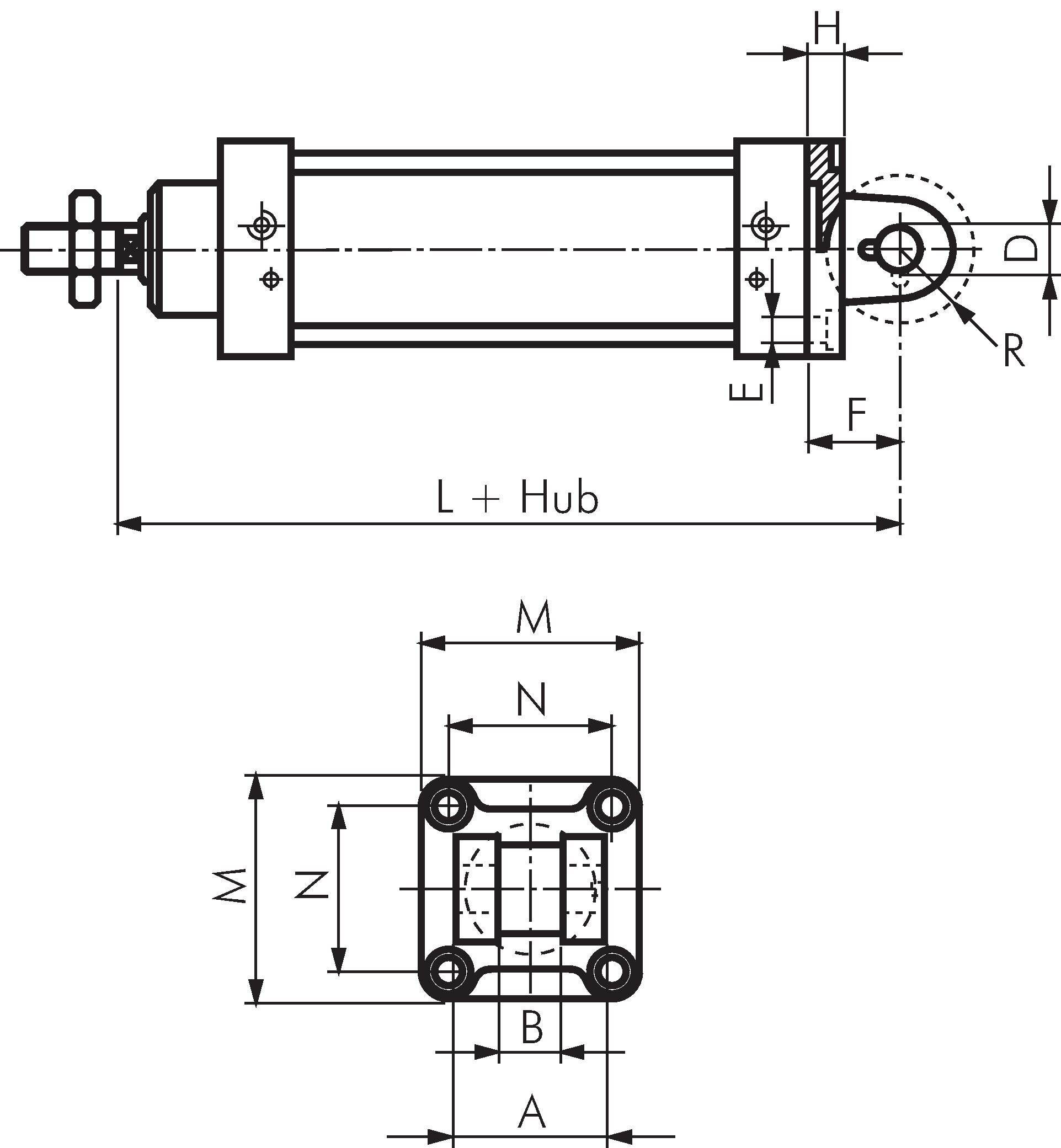
Swivel mountings fork for spherical clip, for pneumatic cylinders ISO 15552

Exemplary representation: Swivel mounting fork for spherical tab for pneumatic cylinder
Payment options:

Cash on delivery

Invoice