Item group

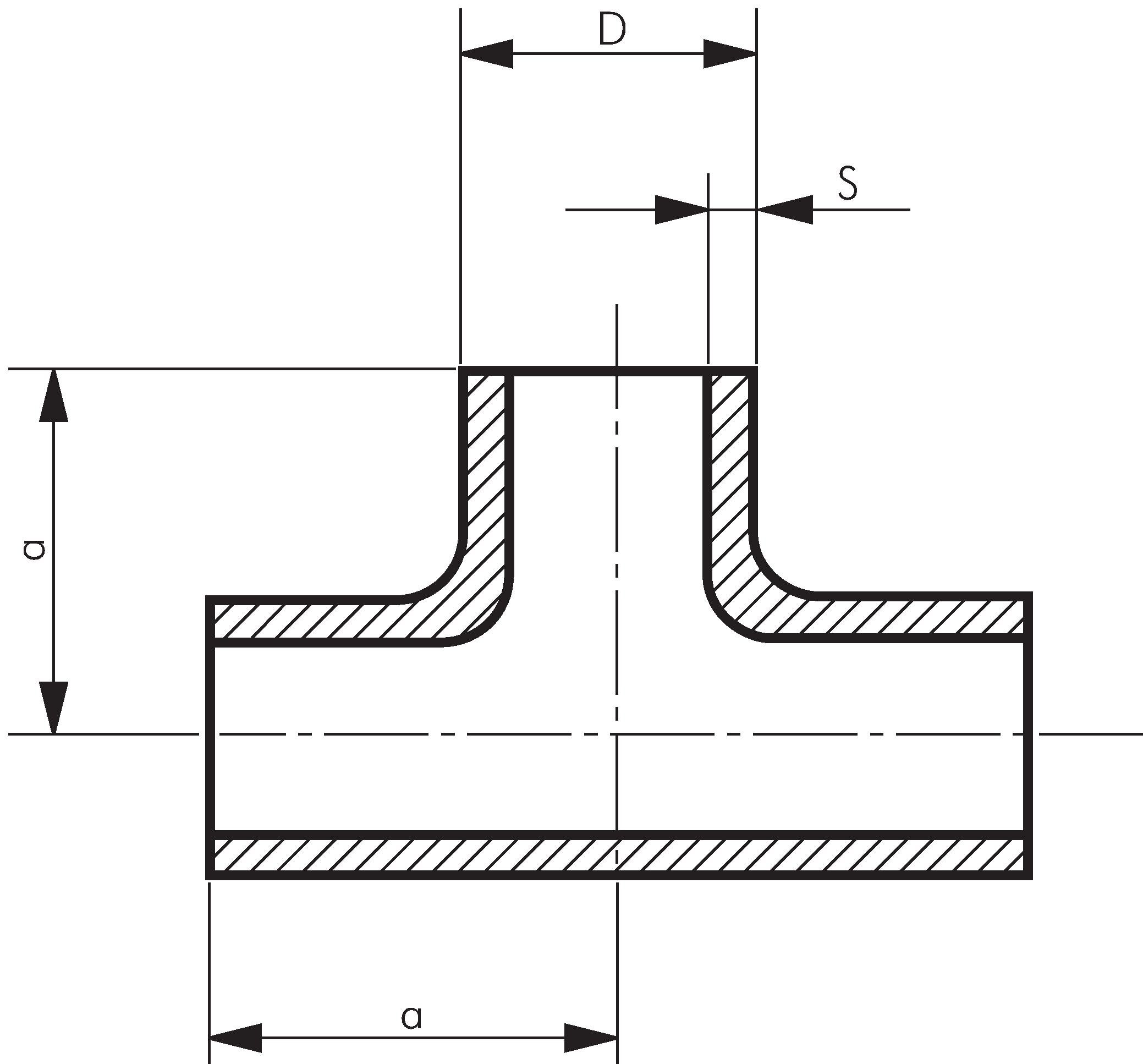
T-pieces with same outlet, EN 10253 type A (DIN 2615)

Exemplary representation: Tees with the same outlet, 1.4571
Payment options:

Cash on delivery

Invoice