Item group

Two hand two signal control blocks

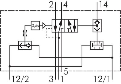
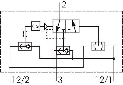
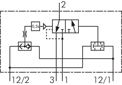
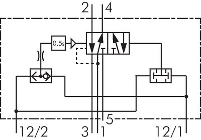
Exemplary representation: 3/2-way two-hand safety block (precision model) Exemplary representation: 3/2-way two-hand safety block (standard model) Exemplary representation: 5/2-way two-hand safety block (standard model) Schematic symbol: 3/2-way two-hand safety block SZ 18310 Schematic symbol: 3/2-way two-hand safety block SZ 18310 B Schematic symbol: 5/2-way two-hand safety block SZ 14510 Schematic symbol: 5/2-way two-hand safety block with self-stopping connection SZS 14510
Payment options:

Cash on delivery

Invoice