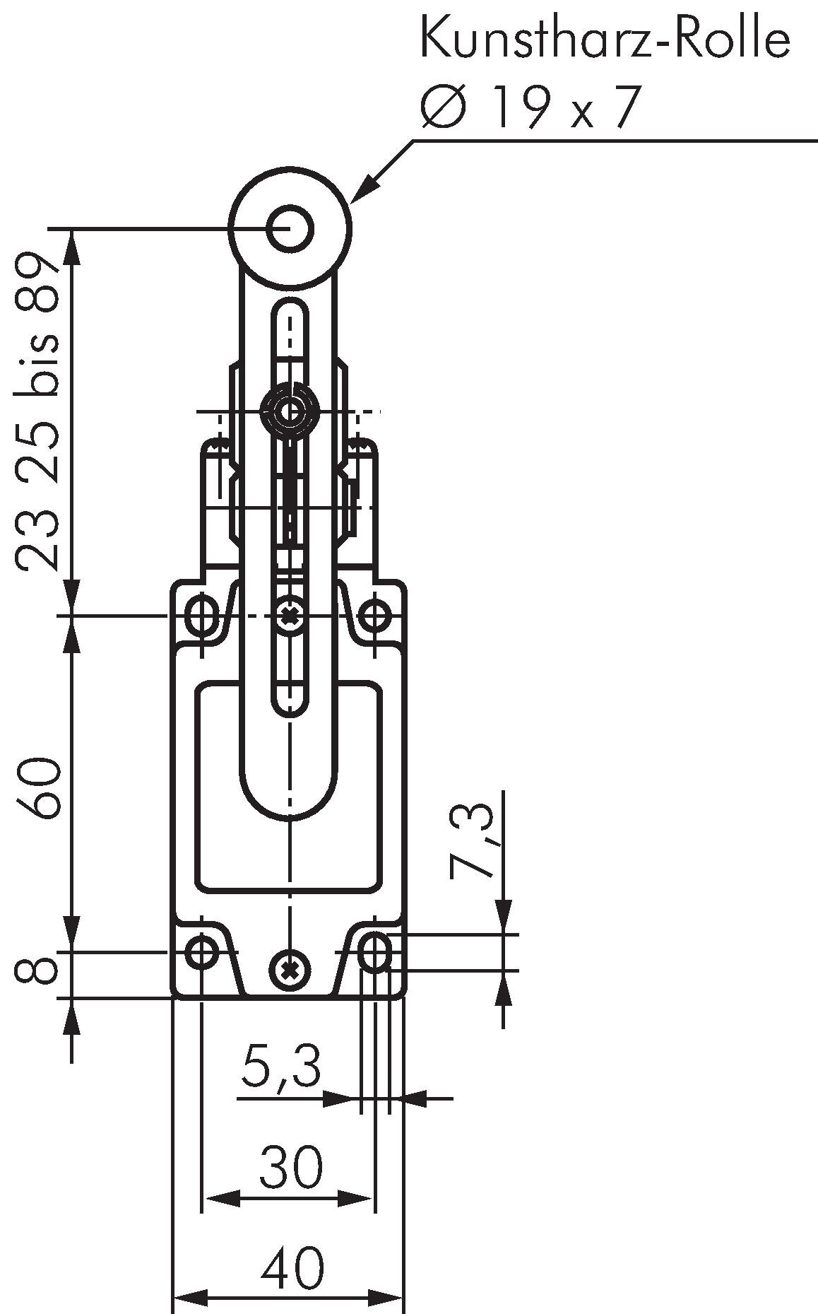
Omron safety position switch, Adjustable roller lever

{{ $t('shop.all.artikelnummer') }}:

D4B4516N

Accessories

Payment options:

Cash on delivery

Invoice