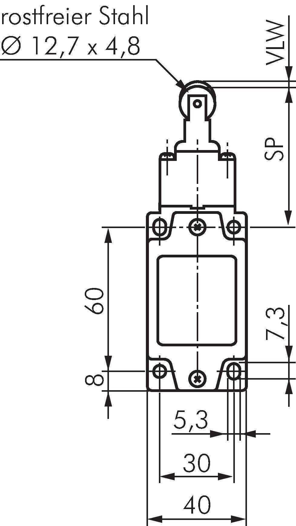
Omron safety position switch, Roller plunger

{{ $t('shop.all.artikelnummer') }}:

D4B4571N

Accessories

Payment options:

Cash on delivery

Invoice