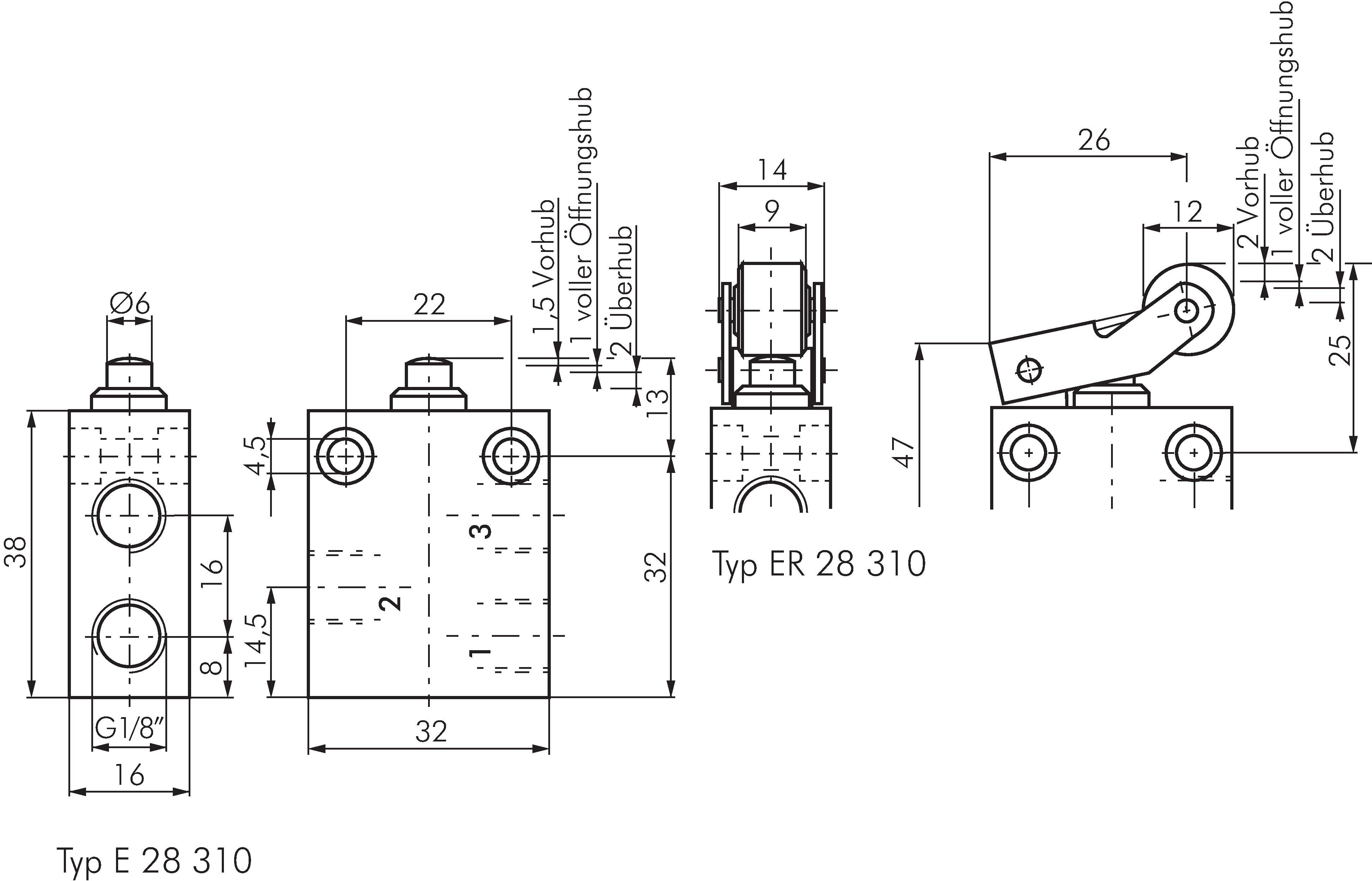
3/2-potni (NC) Limit switch with Rocica valja, G 1/8"

{{ $t('shop.all.artikelnummer') }}:

ER 28 310

Pribor

Možnosti plačila:

Po povzetju

Račun