Item group

5/2-way time valves (Standard), TIMER

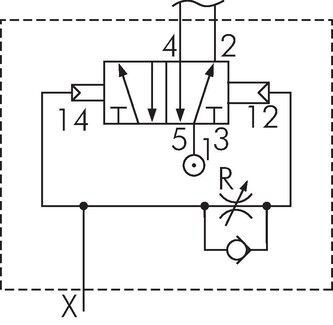
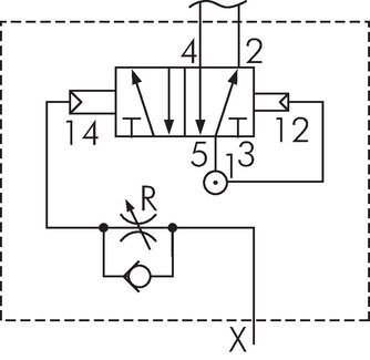
Exemplary representation: 5/2-way timer valve Schematic symbol: 5/2-way timer valve (delayed-reaction) Schematic symbol: 5/2-way timer valve (delayed resetting)
Payment options:

Cash on delivery

Invoice