Item group

5/3-way ISO valves (ISO 5599-1), ISO size 1

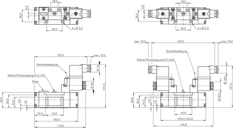
Exemplary representation: 5/3-way ISO solenoid valve Schematic symbol: 5/3-way solenoid valve (middle position closed) Schematic symbol: 5/3-way solenoid valve (middle position deaerates) Schematic symbol: 5/3-way solenoid valve (middle position ventilates)
Payment options:

Cash on delivery

Invoice