Item group

Air conserving valves - pressure regulators with check valves

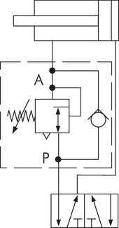
Application examples: Air-saving valve Schematic symbol: Insert air-saving valve
Payment options:

Cash on delivery

Invoice