Item group

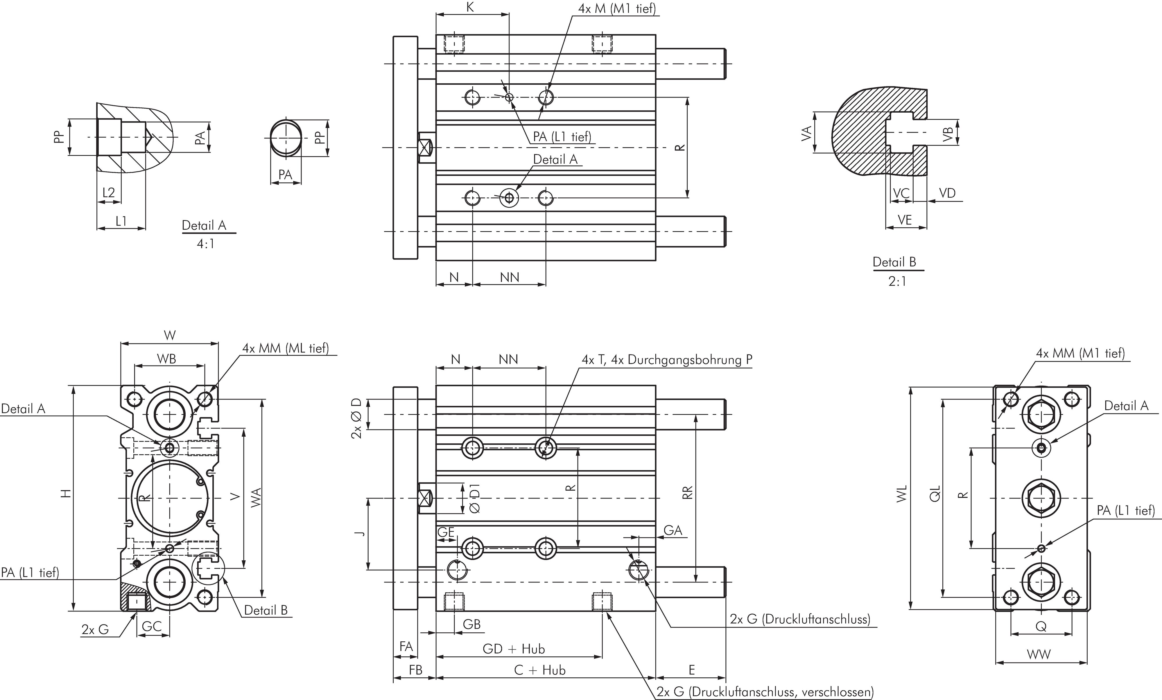
Compact cylinder with guide, SGM

Exemplary representation: Compact cylinder with guide Schematic symbol: guided cylinder
Payment options:

Cash on delivery

Invoice