Item group

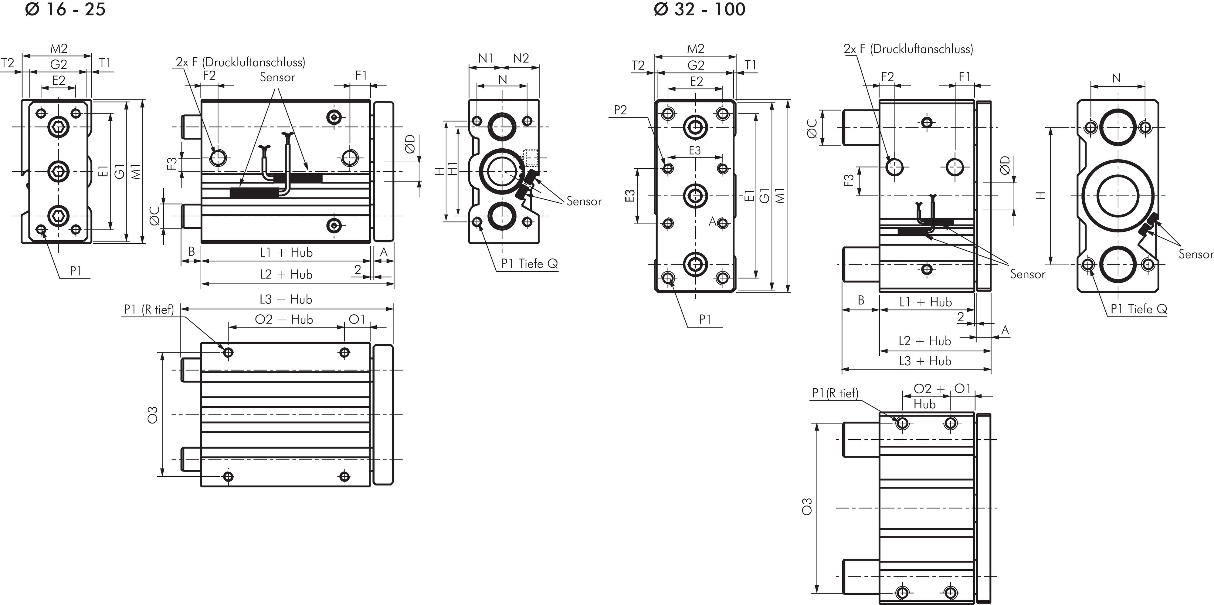
Compact cylinder with guide, ZDFM

Exemplary representation: Compact cylinder with guide Schematic symbol: guided cylinder
Payment options:

Cash on delivery

Invoice