Item group

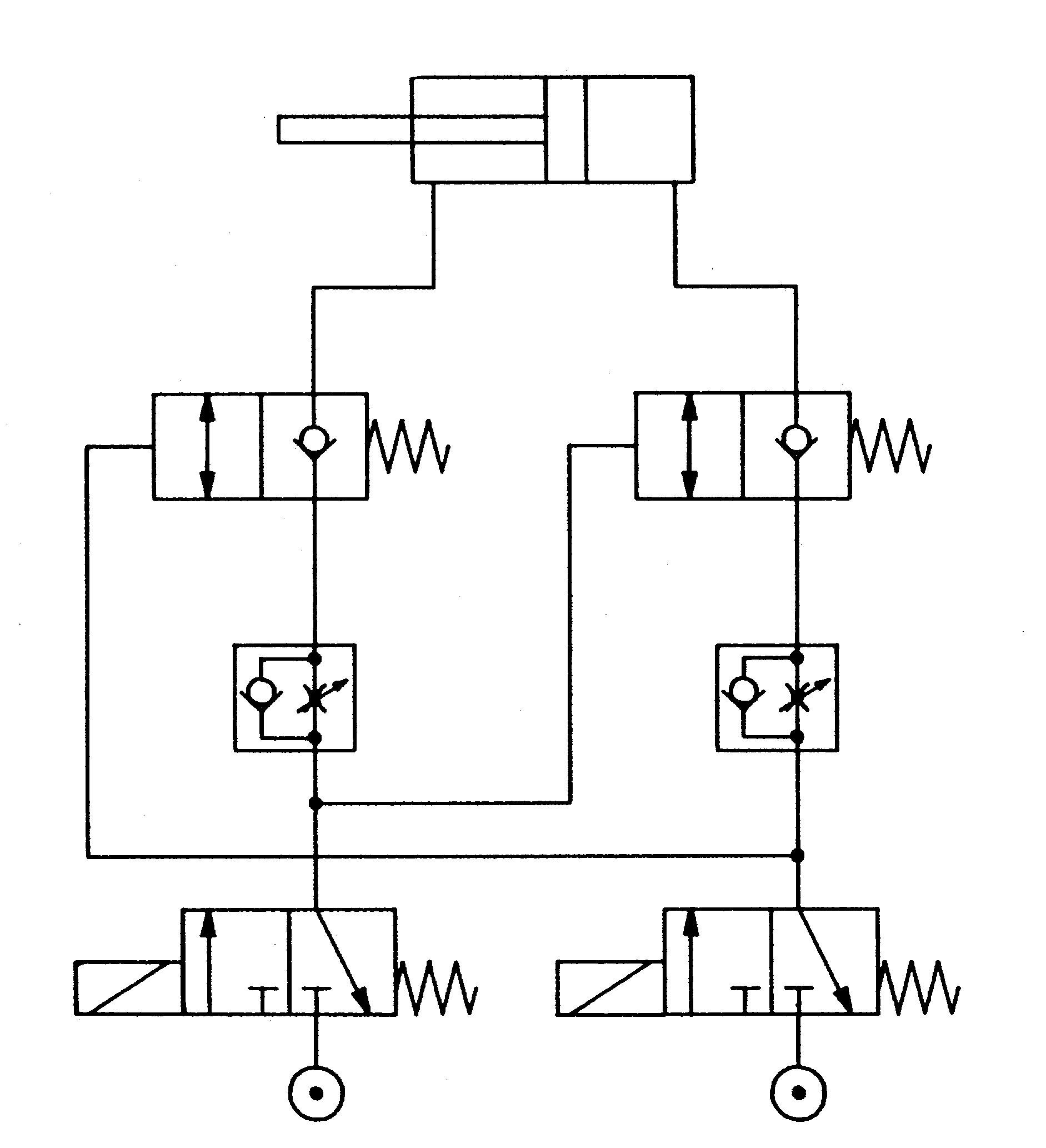
Pilot operated check valves, MSV

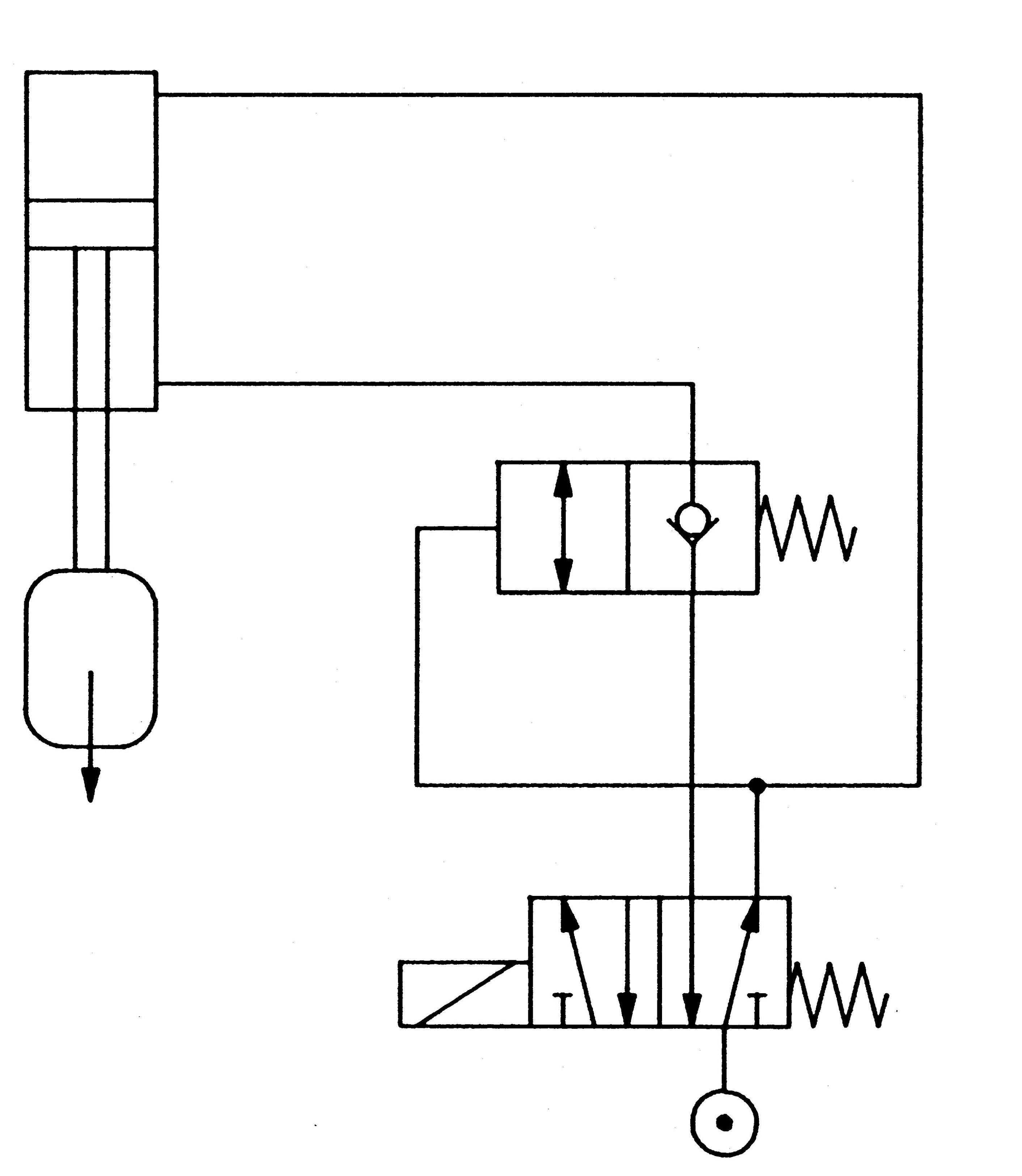
Exemplary representation: Unlockable non-return valve without manual override, nickel-plated brass Exemplary representation: Pilot-operated check valve with manual override, nickel-plated brass Schematic symbol: Unlockable check valve
Payment options:

Cash on delivery

Invoice