Groupe d’articles

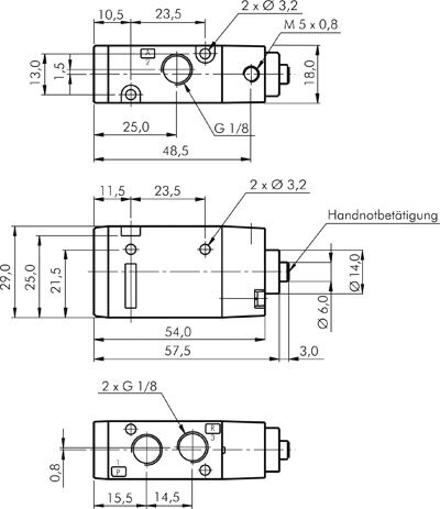
Vannes pneumatiques 3/2 voies G 1/8", Série SF2000

Exemplaire exposé: Vanne pneumatique 3/2 voies avec retour en position initiale à ressort (NC ou NO) Symbole de commutation: Vanne pneumatique 3/2 voies, position de base fermée (NC) Symbole de commutation: Vanne pneumatique 3/2 voies, position de base ouverte (NO)
Possibilités de paiement:

Paiement à la livraison

Facture