Groupe d’articles

Vérins Clean Profile ISO 6431 Série Standard

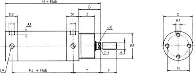
Exemplaire exposé: Vérins en acier inoxydable Clean-Profile Symbole de commutation: ZDPM Symbole de commutation: ZDPMK
Possibilités de paiement:

Paiement à la livraison

Facture