Gruppo merceologico

Display pressione con filettatura a barriera

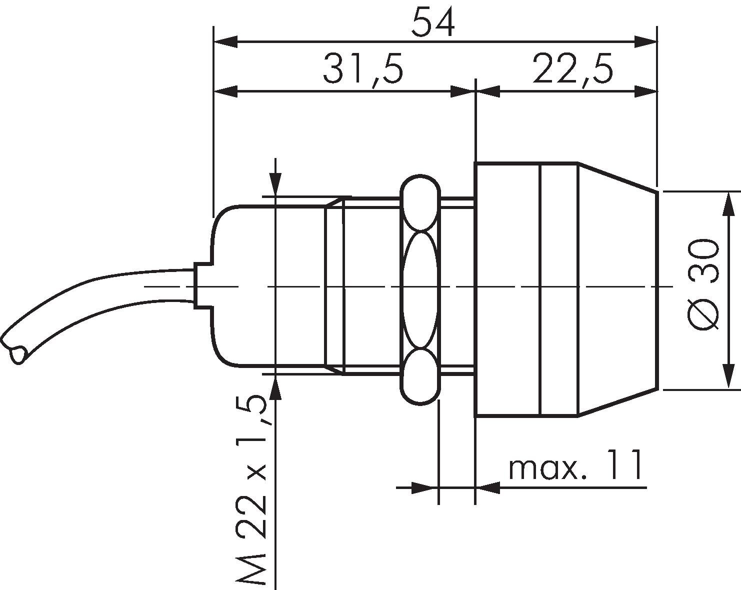
Illustrazione esemplare: Indicatore di pressione con filettatura a barriera
Metodi di pagamento:

Spedizione in contrassegno

Fattura