Gruppo merceologico

Interruttore per cilindro - scanalatura a T (5mm, continua), tipo A

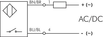
Illustrazione esemplare: Interruttore cilindrico, scanalatura a T Simbolo di comando: Sensori Reed a 2 fili Simbolo di comando: Sensori Reed a 3 fili Simbolo di comando: Sensore completamente elettronico Simbolo di comando: Spina M 8 (3 poli)
Metodi di pagamento:

Spedizione in contrassegno

Fattura