Gruppo merceologico

Passaggi per tubi

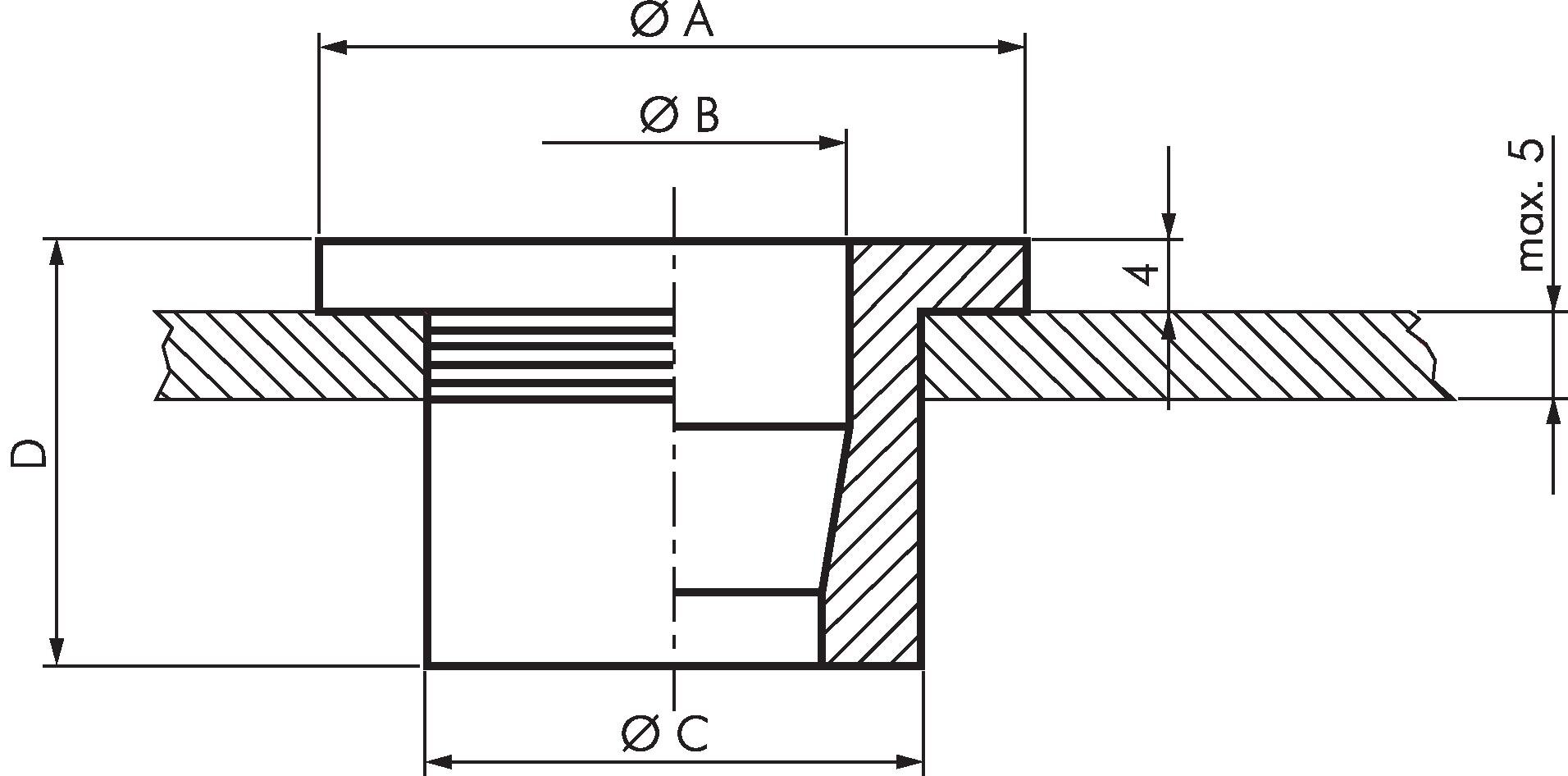
Illustrazione esemplare: Passaggio per tubi
Metodi di pagamento:

Spedizione in contrassegno

Fattura