Gruppo merceologico

Regolatore di pressione - Solid, fino a 9000 l/min*

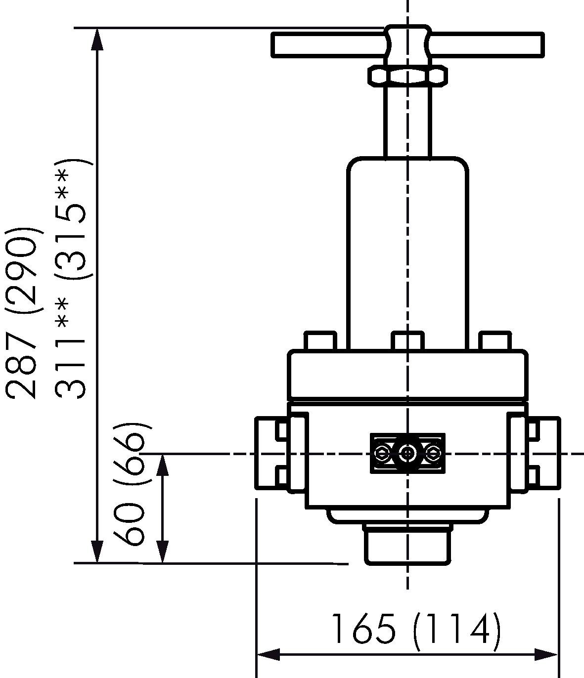
Illustrazione esemplare: Regolatori di pressione inox (1.4404) Illustrazione esemplare: Regolatore di pressione in ottone Simbolo di comando: Regolatore di pressione
Metodi di pagamento:

Spedizione in contrassegno

Fattura