Gruppo merceologico

Valvole a sede a 2/2 vie, PN 250

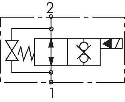
Illustrazione esemplare: Valvola idraulica a sede a 2/2 vie Simbolo di comando: Valvola a sede a 2/2 vie (chiusa in assenza di corrente, blocco su un lato) Simbolo di comando: Valvola a sede a 2/2 vie (aperta in assenza di corrente, blocco su un lato) Simbolo di comando: Valvola a sede a 2/2 vie (chiusa in assenza di corrente di corrente, blocco su entrambi i lati) Simbolo di comando: Valvola a sede a 2/2 vie (aperta in assenza di corrente, blocco entrambi i lati)
Metodi di pagamento:

Spedizione in contrassegno

Fattura