Skupina artiklov

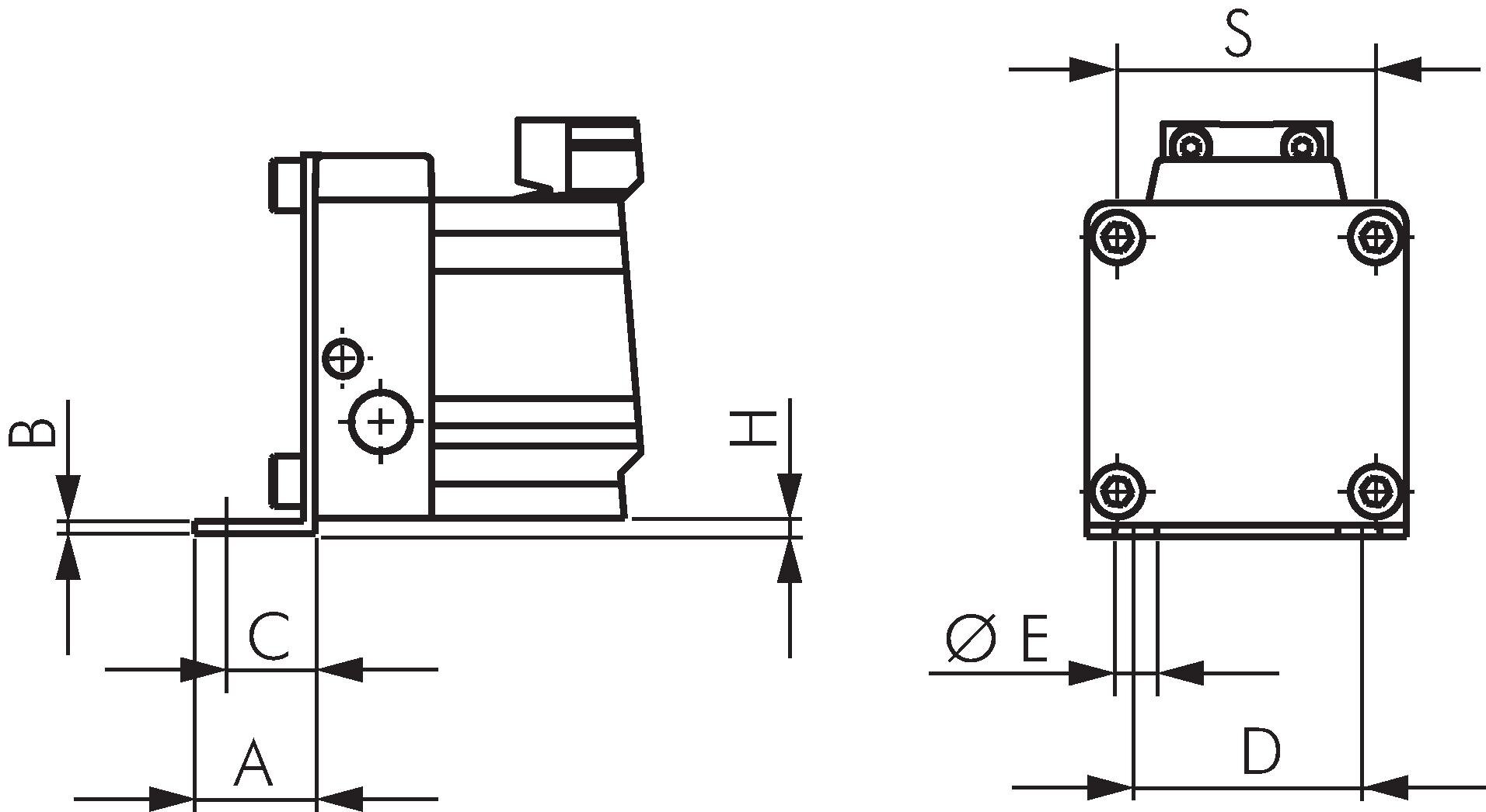
Podnožne pritrditve, za cilindre brez batnice

Možnosti plačila:

Po povzetju

Račun