Skupina artiklov

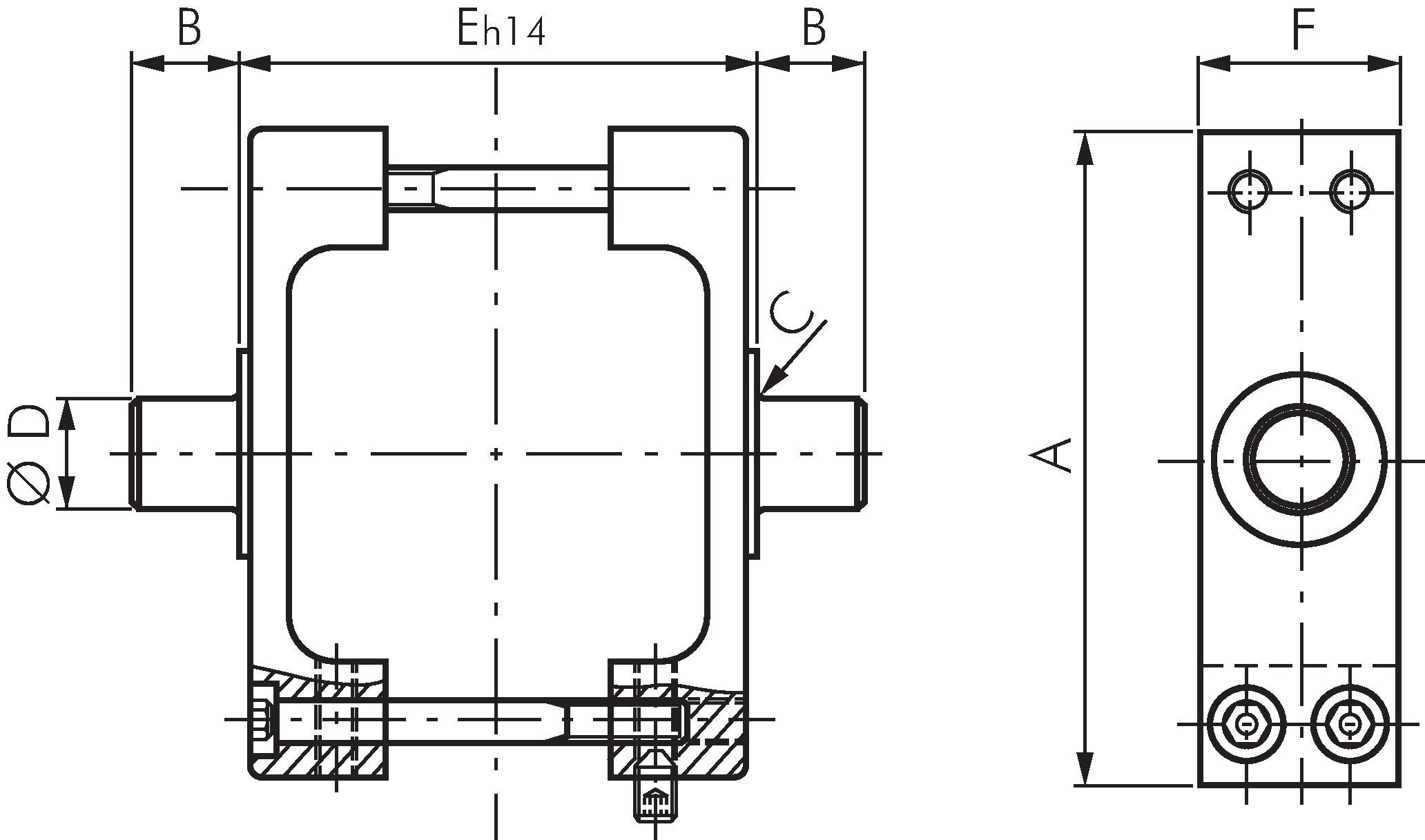
Sredinski vrtljivi nosilci, za pnevmatske cilindre ISO 15552 (XL)

Zgleden uprizoritev: Centre swivel mounting
Možnosti plačila:

Po povzetju

Račun