Skupina artiklov

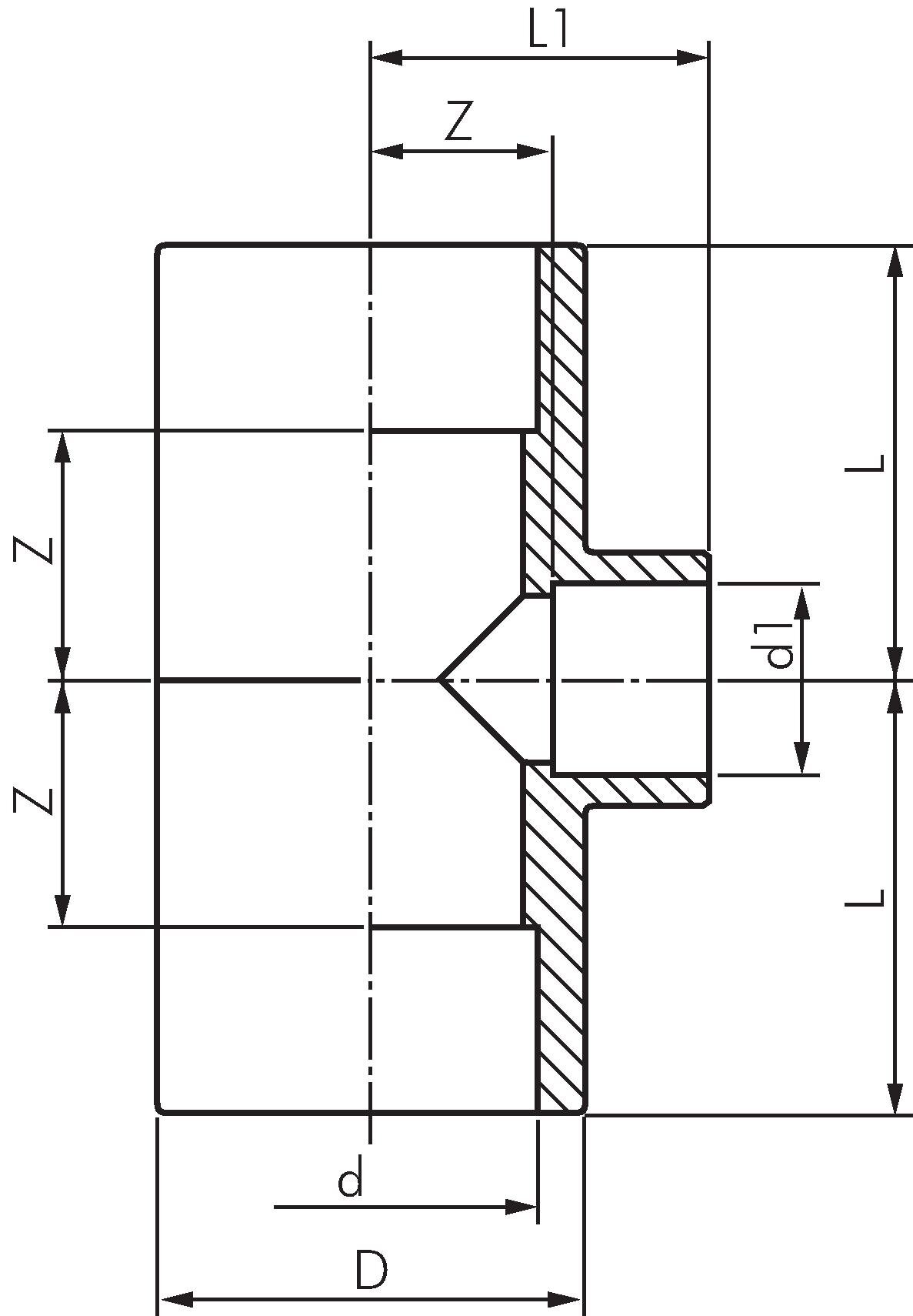
T-kosi, reducirni z lepilnimi objemkami, PVC-U, PN 16

Zgleden uprizoritev: Tee, reduced with adhesive sleeves, PVC-U
Možnosti plačila:

Po povzetju

Račun