Ihned
Dodání přes noc
Technické poradenství
Díky našim technikům
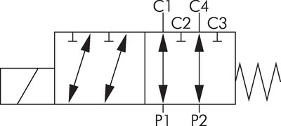
6/2cestný hydraulický ventil G 1/2", 24 V DC
{{ $t('shop.all.artikelnummer') }}:
6WV12-24V=
{{ $t('shop.display.artikel.link_zur_artikelgruppe') }}
Příslušenství
Originální díly od:
Bezplatné zaslání
Při objednávání v našem online obchodu vám zboží zašleme po Německu zdarma až do domu.
Pružné doby odeslání
Objednáno do 21:00 hodin:
Expedice téhož dne
Objednáno o víkendu:
Dodávka v pondělí
Servis překódování
V našem online obchodì mùžete hledat také podle èísel zboží jiných dodavatelù.
Neutrální zásilka
Zasíláme ve vašem designu a pod vaším názvem na vámi požadovanou adresu.
Možnosti zaplacení:
Příjmení
Faktura
Zašleme s:
Kurýr
Spedice