Varegruppe

3/2-vejs-håndgrebsventiler, Standard

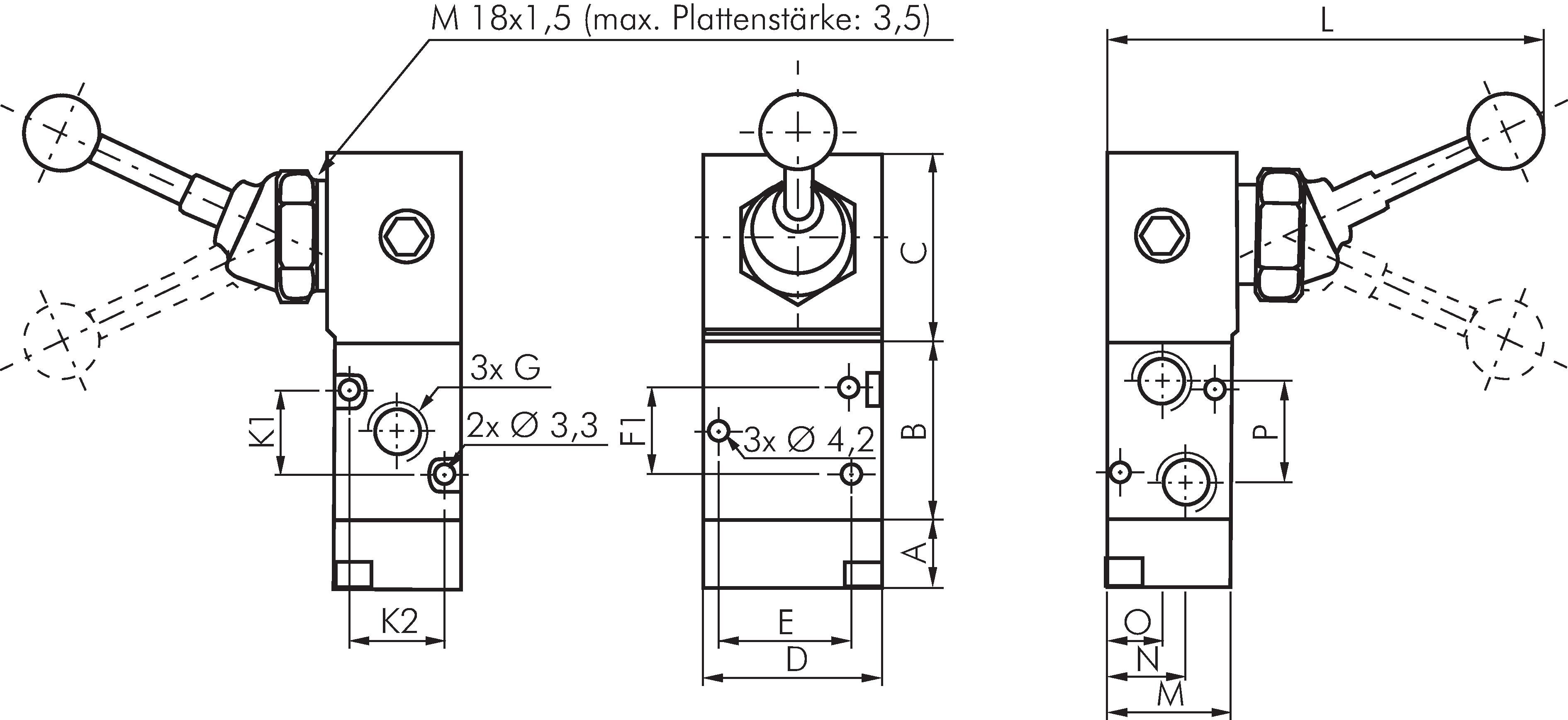
Principskitse: 3/2-vejs-håndtagsventil Skiftesymbol: 3/2-vejs-håndtagsventil med fjedertilbagestilling Skiftesymbol: 3/2-vejs-håndtagsventil med klik
Betalingsmuligheder:

Efterkrav

Faktura