Varegruppe

3/2-vejs-minirulleventil, standard

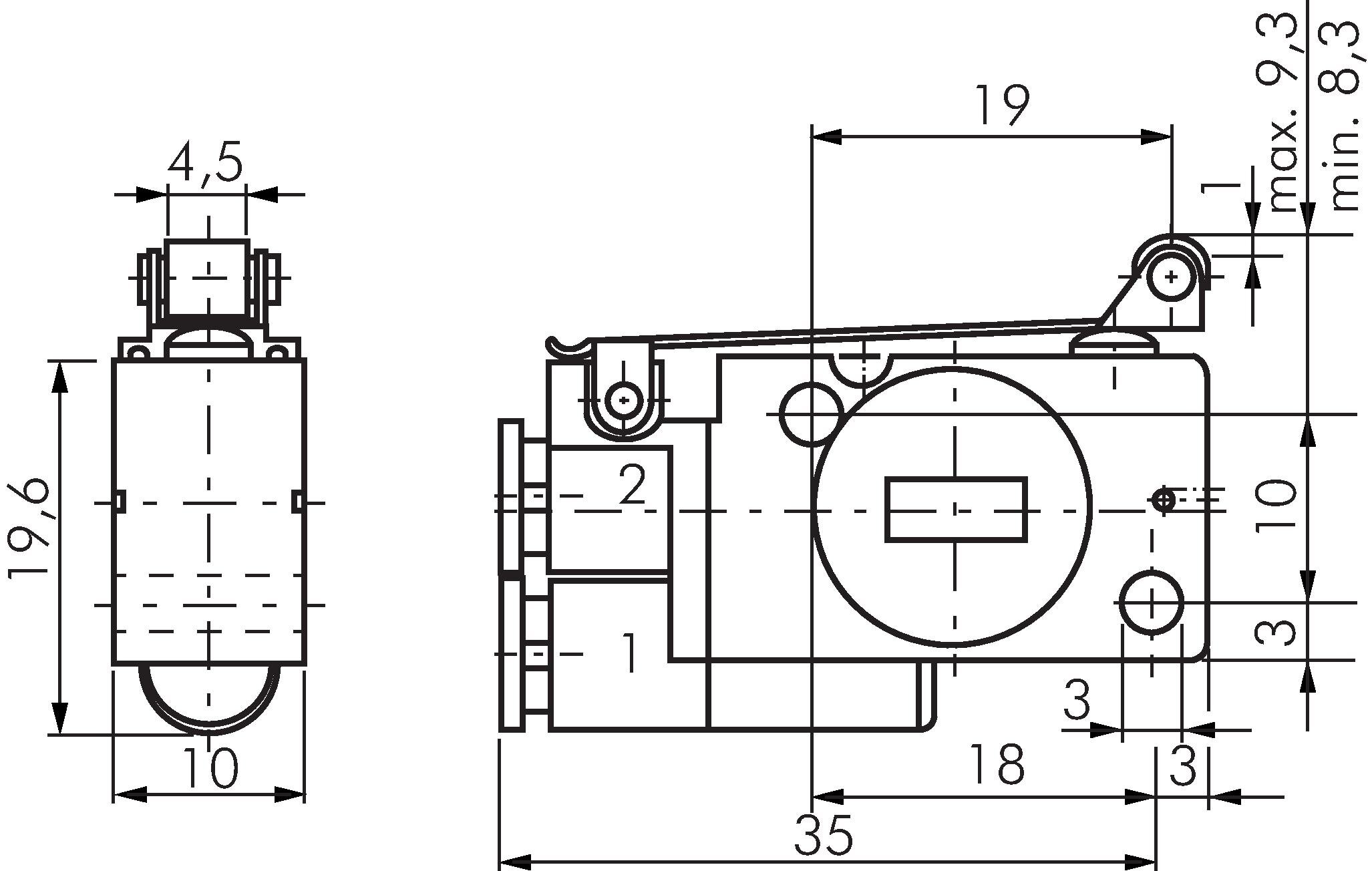
Principskitse: 3/2-vejs-rullehåndtagsventil Skiftesymbol: 3/2-vejs-rullehåndtagsventil (NC)
Betalingsmuligheder:

Efterkrav

Faktura