Varegruppe

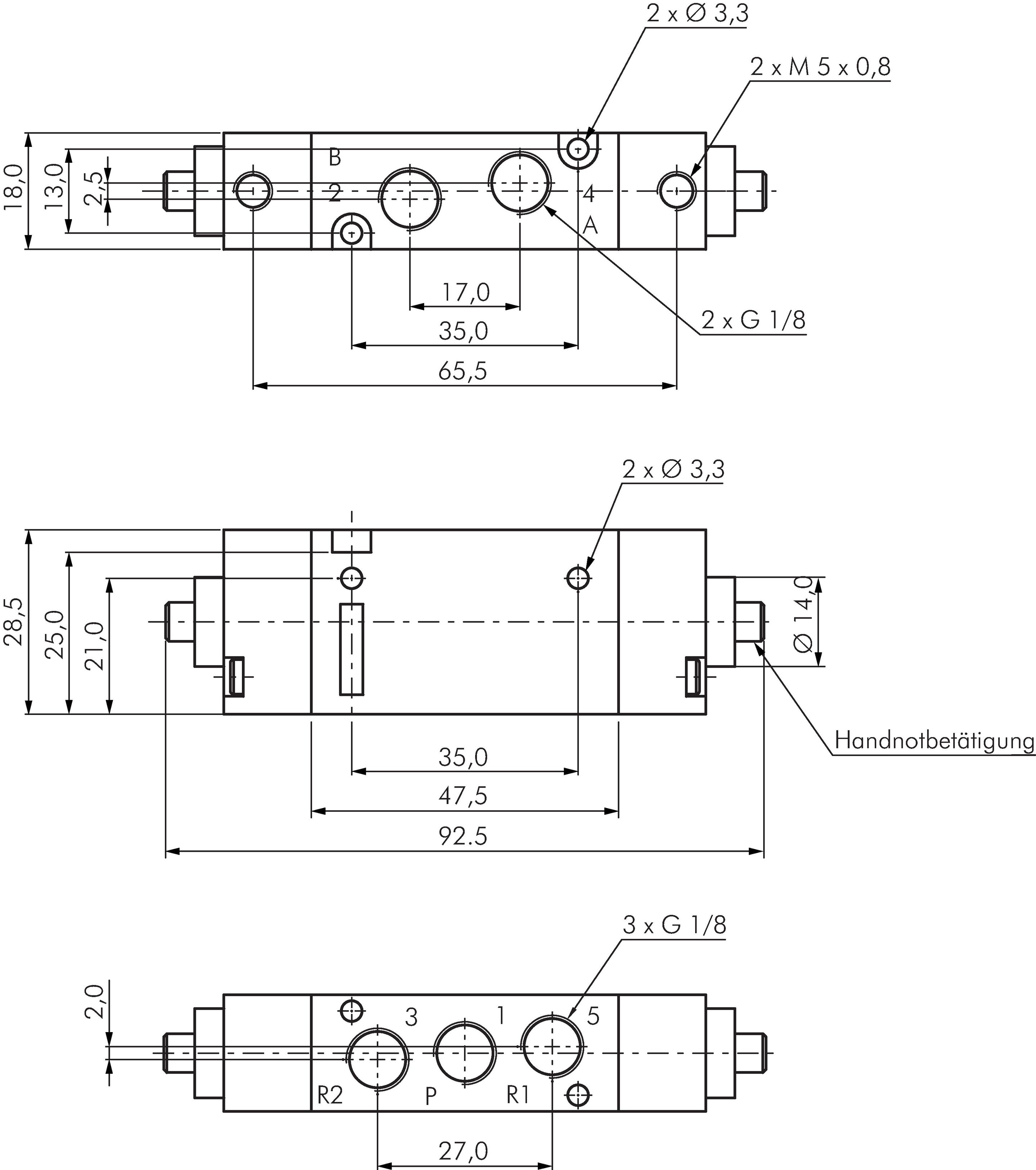
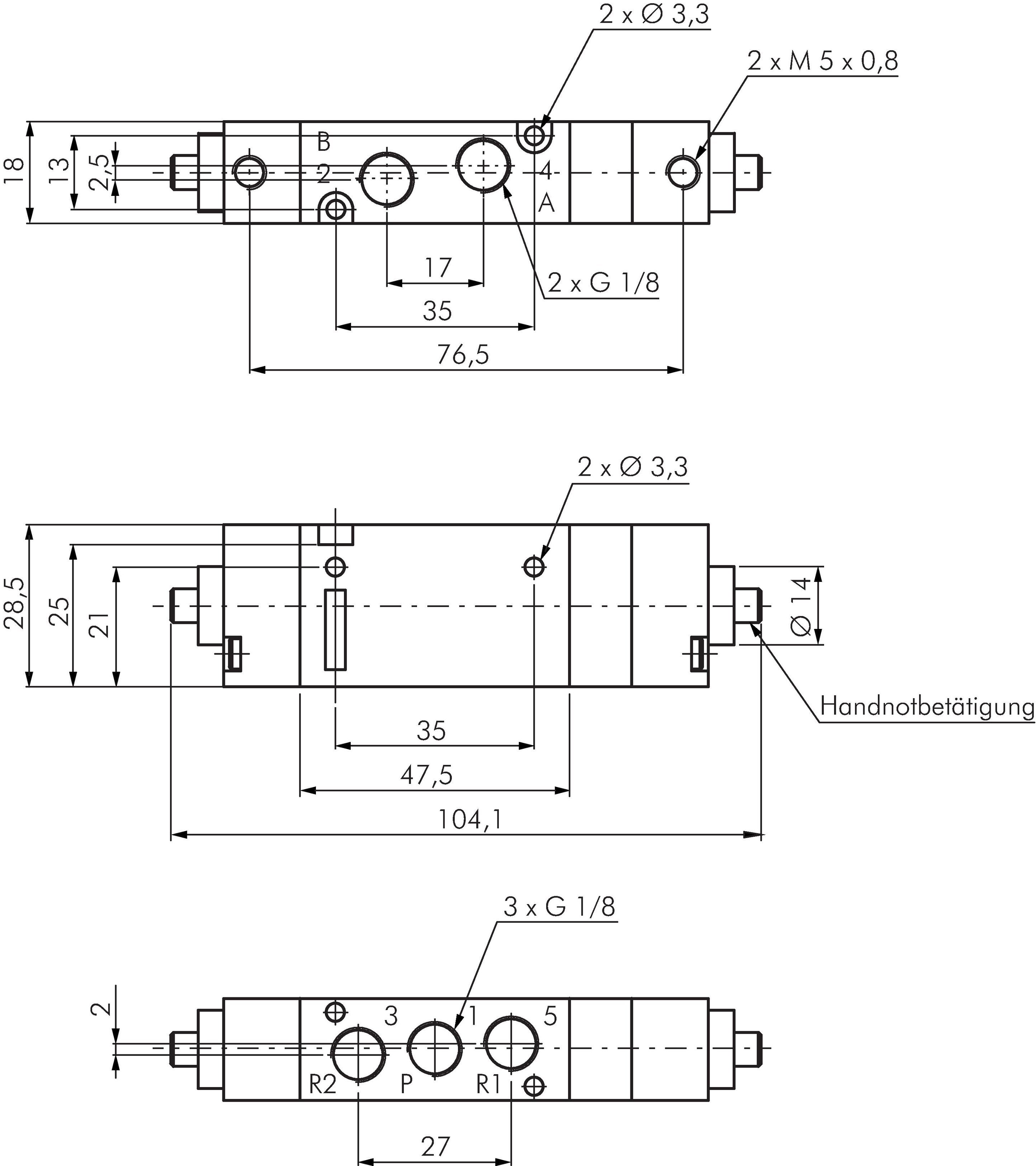
5/2-vejs & 5/3-vejs-pneumatikventiler G 1/8", Serie SF2000

Principskitse: 5/2-vejs-pneumatikventil med fjedertilbagestilling Principskitse: 5/2-vejs-pneumatikimpulsventil Principskitse: 5/3-vejs-pneumatikventil Skiftesymbol: 5/2-vejs-pneumatikventil med fjedertilbagestilling Skiftesymbol: 5/2-vejs-pneumatikimpulsventil Skiftesymbol: 5/3-vejs-pneumatikventil (midterposition lukket) Skiftesymbol: 5/3-vejs-pneumatikventil (midterposition udgående luft) Skiftesymbol: 5/3-vejs-pneumatikventil (midterposition indgående luft)
Betalingsmuligheder:

Efterkrav

Faktura