Varegruppe

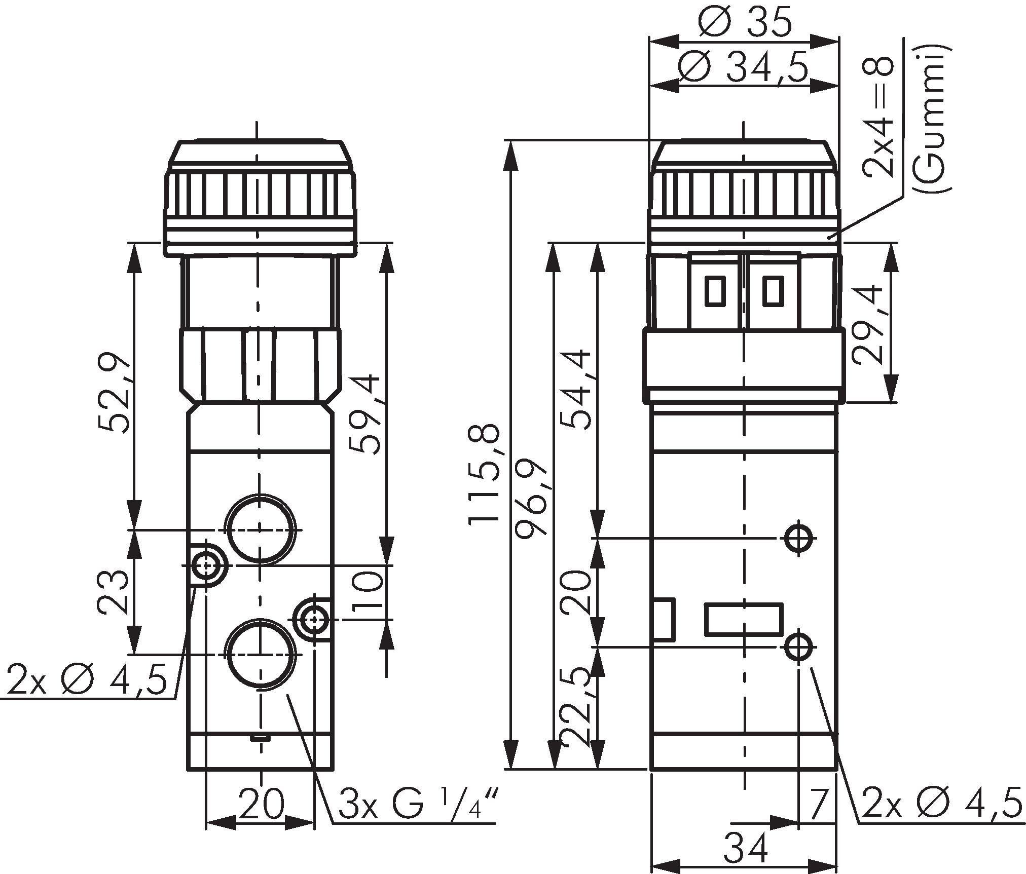
5/2-vejs-trykknaptast & drejekontakt G1/4" (Ø30,5), Serie PMEV400

Principskitse: 5/2-vejs-paddehatteformet tastventil Principskitse: 5/2-vejs-tryktastventil Principskitse: 5/2-vejs-drejekontaktventil Skiftesymbol: 5/2-vejs-paddehatteformet tastventil Skiftesymbol: 5/2-vejs-tryktastventil Skiftesymbol: 5/2-vejs-drejekontaktventil
Betalingsmuligheder:

Efterkrav

Faktura