Varegruppe

Tilslutningsplader (ISO 5599-1), ISO-str. 2

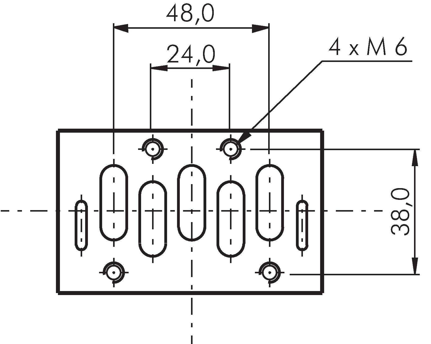
Principskitse: ISO-tilslutningsplade
Betalingsmuligheder:

Efterkrav

Faktura