Varegruppe

Trykreduktionsventiler til blæsepistoler

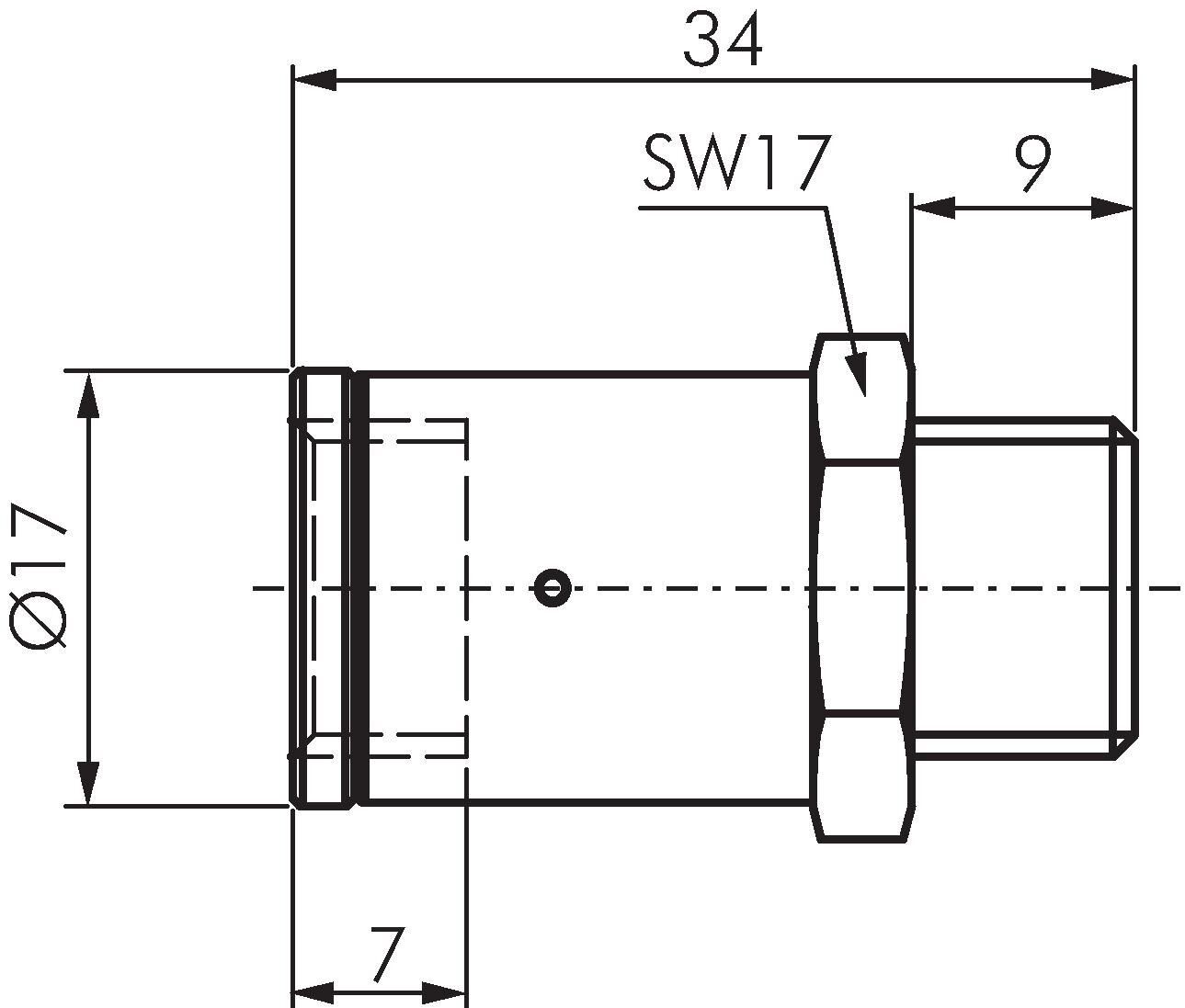
Anvendelseseksempel: Trykreduktionsventil til blæsepistol
Betalingsmuligheder:

Efterkrav

Faktura