Artikelgroep

Luchtgordijnen

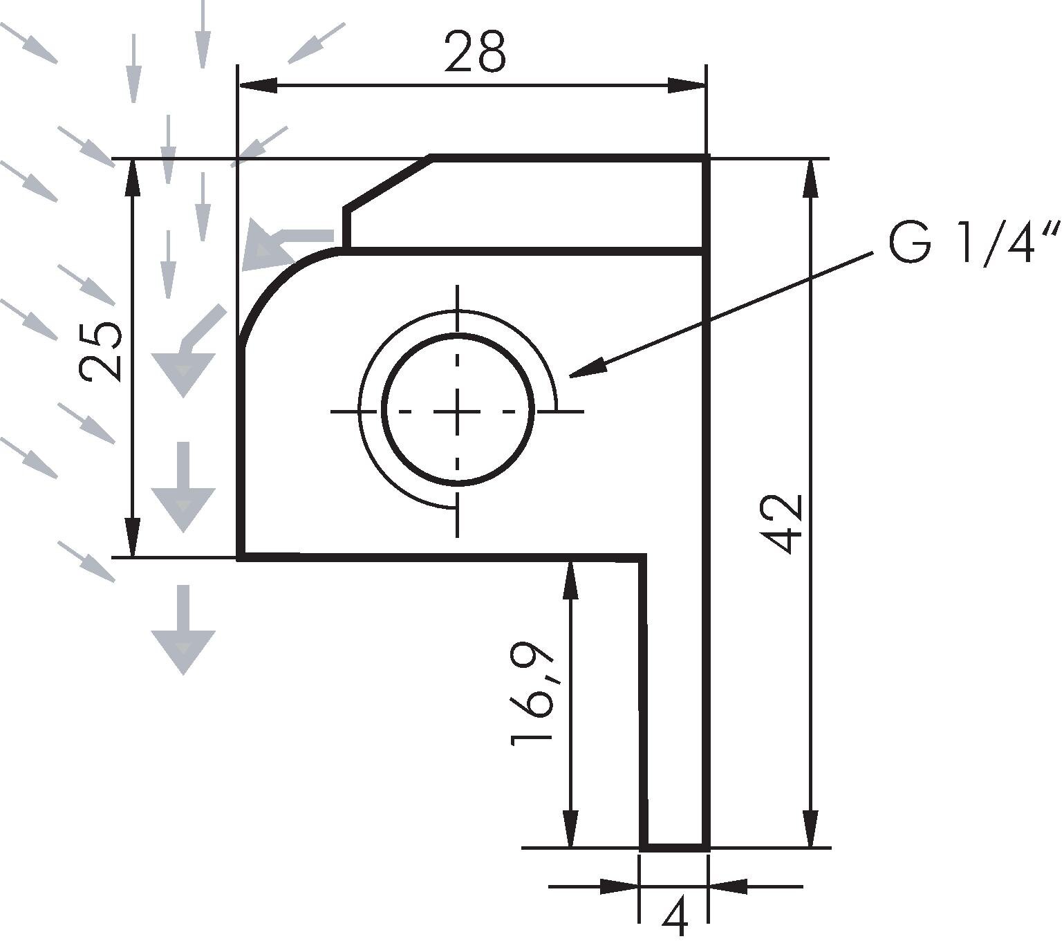
Voorbeeldig Afbeelding: Luchtgordijn Toepassingsvoorbeeld: Vlak afblazen met luchtgordijn Toepassingsvoorbeeld: Vlak afblazen na reiniging met twee luchtgordijnen
Betalingsmogelijkheden:

Achternaam

Factuur