Grupa artykułów

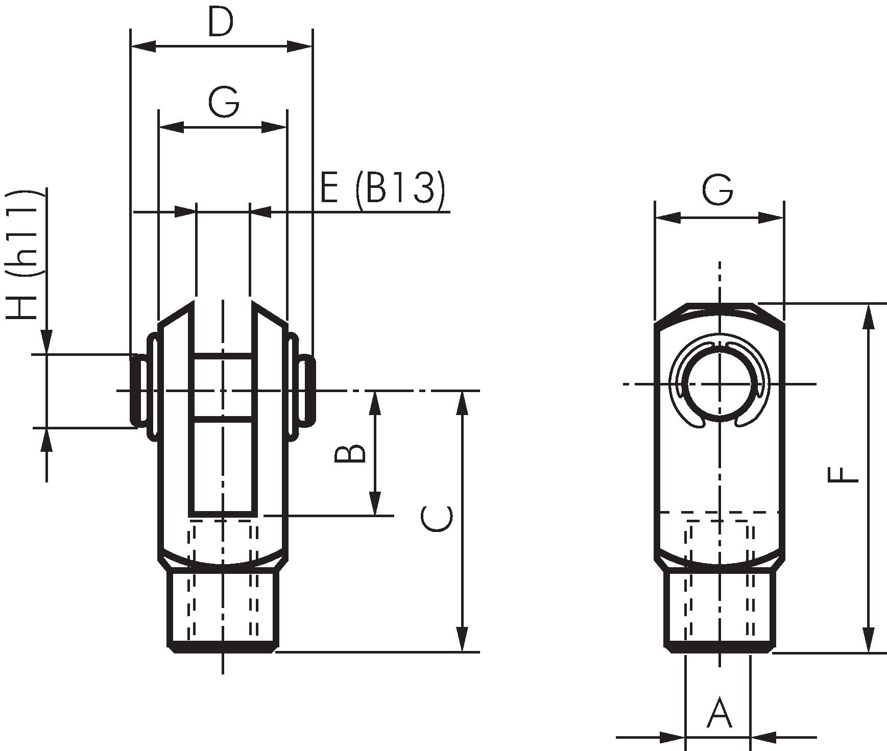
Glowice widlaste z trzpieniem, Do cylindrów okraglych Ø 32 - 63

Wzorowy interpretacja: Glowica widelkowa ze sruba, stal ocynkowana
Opcje płatności:

Pobranie

Rachunek